Válvula de elevación electrohidráulica YEHL2
Solicite un presupuesto
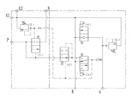
Válvula de control hidráulico para un control preciso de la elevación y el descenso de los accesorios del tractor
La válvula de elevación electrohidráulica utiliza señales electroproporcionales para controlar con precisión la apertura del carrete, ajustando el caudal de salida en el puerto de trabajo con una capacidad de hasta 120 L/min. Esto permite una elevación y descenso precisos de los implementos del tractor para satisfacer diversos requisitos operativos en diversas aplicaciones industriales, como la agricultura moderna.
Características
- Diseño modular y compacto que puede combinarse con válvulas multicarrete para un control hidráulico integrado.
- Baja pérdida de presión y alta eficiencia, lo que reduce el consumo energético total de la máquina.
- Control de caudal electroproporcional de alta sensibilidad, que garantiza ajustes suaves y precisos del implemento.
Especificaciones
| Presión máxima de funcionamiento | 250bar |
| Caudal nominal | 120L/min |
| Rango de temperatura del fluido | -40℃~100℃ |
| Rango de temperatura ambiente | -40℃~80℃ |
| Tratamiento de superficies | Niquelado |
| Rango de viscosidad del aceite | ISO 20~400mm²/s |
Aplicaciones
Ideal para sistemas de control de profundidad de tractores, la válvula de elevación hidráulica permite levantar y bajar los accesorios de manera proporcional y precisa, manteniendo una profundidad de labranza constante para mejorar la precisión y la productividad agrícola.
Productos relacionados
Comentarios
Otros productos
Novedades
Otros productos
Vídeos Relacionados

