Válvula de control y desenso de carga EPV, montada en tubería
- Diseño modular con estructura compacta que proporciona un control de carga seguro y fiable
- Minimiza el impacto hidráulico durante la apertura y el cierre, garantizando un control constante de la presión
- Múltiples opciones de capacidad de caudal, adaptables a diferentes requisitos de instalación y tipos de equipos
- Cumple con la norma ISO 8643, lo que garantiza la seguridad y la compatibilidad en aplicaciones de excavadoras
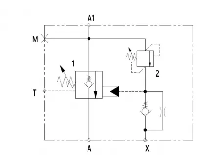
La válvula de control y descenso de carga, montada en tubería, está diseñada para proporcionar un control de carga preciso y seguro para actuadores hidráulicos. En la dirección de flujo ascendente (A - A1), el aceite fluye libremente a través de una válvula de retención integrada hacia el cilindro hidráulico. En la dirección de flujo inverso (A1 - A), la sección de retención de la válvula bloquea o estrangula el movimiento del fluido, mientras que el carrete proporciona una regulación precisa del caudal durante la apertura. La válvula permanece normalmente cerrada y se controla remotamente mediante presión piloto, lo que garantiza una retención de carga estable, independientemente del peso de la misma.
Una válvula de alivio integrada monitorea la presión del puerto A1 y se abre automáticamente en caso de sobrecarga o impacto para proteger el sistema hidráulico. Cuando se aplica suficiente presión piloto, el carrete de la válvula se abre completamente, permitiendo la liberación controlada de la presión del cilindro a través del puerto A y la válvula de control principal. Esta configuración proporciona un control superior del movimiento, protección contra sobrecargas y hace que la operación de equipo pesado sea más segura y confiable.
| Modelo | Presión | Flujo |
| Válvula de control y descenso de carga EPV-08 (izquierda/derecha) | 350bar | 40L/min |
| Válvula de control y descenso de carga EPV-10 (izquierda/derecha) | 350bar | 100L/min |
| Presión máxima de funcionamiento | 350bar |
| Relación de piloto | 1:0 |
| Rango de ajuste de presión de la válvula de equilibrio | 5-14bar |
| Rango de ajuste de presión de la válvula de desbordamiento | 200-400bar |
| Rango de temperatura del fluido | -20℃~120℃ |
| Rango de temperatura ambiente | -40℃~80℃ |
| Fluido hidráulico | Aceite mineral general (ISO 20~400mm²/s) |
Esta válvula de control y descenso de carga, a menudo denominada válvula antiexplosión, está diseñada para su uso en plumas, brazos, cucharones e implementos de excavadoras. Ayuda a mantener estables las cargas pesadas y evita movimientos repentinos e incontrolados durante la operación. Mejora la seguridad y la estabilidad operativa del equipo en entornos exigentes de construcción y excavación:
- Evita que la pluma se caiga inesperadamente debido a la rotura de la línea hidráulica o fugas en el carrete.
- Protege el brazo de la retracción o extensión repentina causada por fuerzas externas o fugas hidráulicas.
- Evita que el cucharón se incline accidentalmente debido a cambios repentinos de carga o fallas en las mangueras.
- Evita que los martillos hidráulicos y otros accesorios se aflojen o rompan las mangueras por impacto, evitando la extensión o retracción repentina del vástago del pistón.

