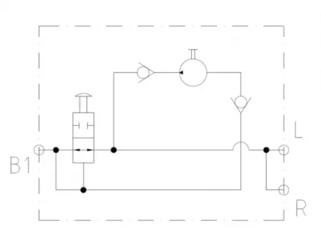
Válvula de liberación de freno ESL
Solicite un presupuesto
Bloques de válvula hidráulica para un control suave del elevador de tijera
- Diseño modular y compacto para un control hidráulico seguro y confiable.
- Diseño patentado con válvula de contrapeso de desplazamiento integrada para mejorar la estabilidad general de la plataforma.
- Su construcción de alta eficiencia reduce el consumo de energía, lo que prolonga el tiempo de funcionamiento del equipo.
Aplicaciones
Utilizado en plataformas de tijera hidráulicas, este bloque de válvula proporciona un control suave y fiable de la liberación del freno de emergencia durante el desplazamiento. Diseñado para ofrecer durabilidad y seguridad, garantiza un funcionamiento estable y contribuye a la eficiencia general del sistema de elevación.
Especificaciones
| Presión | 250bar |
| Caudal | 2mL/carrera |
| Rango de temperatura del fluido | -20℃~100℃ |
| Rango de temperatura ambiente | -20℃~80℃ |
| Rango de viscosidad del aceite | ISO 20~400mm²/s |
| Fuga interna | 3 ~ 5 gotas/min |
| Peso | 0.67kg |
Productos relacionados
Comentarios
Otros productos
Novedades
Más
Otros productos
Vídeos Relacionados

