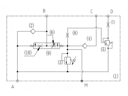
Válvula de autonivelación W
Solicite un presupuesto
- Diseño compacto y optimizado para una autonivelación estable y fiable durante el funcionamiento.
- Probado en fábrica con más de un millón de ciclos de durabilidad y validado según altos estándares de rendimiento.
Aplicaciones
La válvula de autonivelación se utiliza comúnmente en cargadores deslizantes, proporcionando un control preciso de la elevación de la pluma y la nivelación automática del cucharón, mejorando la precisión de manejo y la eficiencia operativa.
Especificaciones
| Presión máxima de funcionamiento | 200bar |
| Caudal nominal | 80L/min |
| Rango de temperatura del fluido | -20℃~80℃ |
| Rango de temperatura ambiente | -20℃~80℃ |
| Tratamiento de superficies | Niquelado |
| Rango de viscosidad del aceite | ISO 20~400mm²/s |
Productos relacionados
Comentarios
Otros productos
Novedades
Otros productos
Vídeos Relacionados

