Segmento de rueda dentada para bulldozer Komatsu D275
Solicite un presupuesto
                                    
                                                                                                    
                                                                
                                Piezas del tren de rodaje de equipos pesados
Segmento de rueda dentada Komatsu
Nuestros segmentos de rueda dentada están diseñados para excavadoras Komatsu, incluidos modelos como D65, D275, D375 y D475.
- Modelos de bulldozer Komatsu compatiblesD275
 - Números de piezas OEM 17M-27-41630
 
Especificaciones técnicas
 - Descripción: Segmento de rueda dentada
 - Origen: China
 - Marca: PT'ZM
 - Modelo de máquina aplicable: D275
 - Marca de máquina aplicable: Komatsu
 - Número de pieza: 17M-27-41630
 - Certificado: GB/T19001-2016, ISO9001:2015
 - Precio: A negociar
 - Método de embalaje: Embalaje marítimo fumigado
 - Plazo de entrega: 7-30 días
 - Condiciones de pago: Transferencia bancaria (transferencia bancaria, otras condiciones a negociar)
 - Condiciones de envío: FOB, CIF, CFR
 - Cantidad mínima de pedido: 1 unidad
 - Capacidad de suministro: 1000 unidades/mes
 - Material: 35Mn²
 - Proceso de fabricación: Forjado
 - Acabado: Liso
 - Dureza: HRC48-55, espesor: 8-10mm
 - Calidad: Construcción y minería, trabajo pesado
 - Periodo de garantía: 12 meses
 - Servicio posventa: Soporte técnico por video, soporte en línea
 - Color: Amarillo o a petición del cliente
 - Aplicación: Bulldozer sobre orugas
 
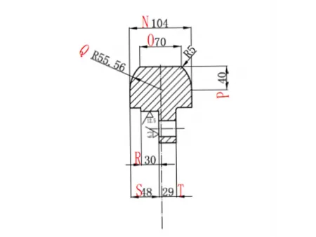
Tabla de tamaño (unidad: mm)
| D275 | A | B | C | D | E | F | G | H | J | |
| 550 | 260.35 | 20 | 25 | 10.54 | 26.75 | 60 | 1057 | 1046.89 | ||
| K | L | M | N | O | P | Q | R | S | T | |
| 800 | 848 | 955.88 | 104 | 70 | 40 | R55.56 | 30 | 48 | 29 | 
Productos relacionados
                                    Comentarios
                                    
                                    
                                Otros productos
                                    
                                                            Novedades
                        Más
                                                                                                                                                                                                                                                                                                                                                                            
                                                                                                                                
                                                                                                                                
                                                                                                                                
                                                                                                                                
                                                                                                                                
                                                                                    Otros productos
                        Vídeos Relacionados
                            
                                            
                                                
                                                
                                                