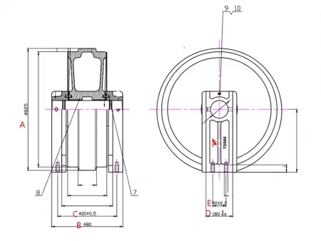
Rueda guía para excavadora Volvo EC950
Solicite un presupuesto
Especializados en la fabricación de trenes de rodaje para maquinaria pesada de 20 a 330 toneladas
Ofrecemos alternativas OEM idénticas a las de los distribuidores, fabricantes y talleres de reparación más importantes del mundo.
Ofrecemos alternativas OEM idénticas a las de los distribuidores, fabricantes y talleres de reparación más importantes del mundo.
- Modelos de excavadoras Volvo compatiblesEC950E
- Números de piezas OEM VOE 14681270, 14681270
Especificaciones técnicas
- Descripción: Rueda guía
- Origen: China
- Marca: PT'ZM
- Modelo de máquina aplicable: EC950 E
- Marca de máquina aplicable: Volvo
- Número de pieza: VOE14681270
- Certificado: GB/T19001-2016, ISO9001:2015
- Precio: A convenir
- Método de embalaje: Embalaje marítimo fumigado
- Plazo de entrega: 7-30 días
- Condiciones de pago: Transferencia bancaria (consultar otras condiciones)
- Condiciones de envío: FOB, CIF, CFR
- Cantidad mínima de pedido: 1 unidad
- Capacidad de suministro: 100 unidades/mes
- Material: 35Simn/42Crmo/QT500-10
- Proceso de fabricación: Forjado/fundición de precisión
- Acabado: Liso
- Dureza: HRC55-58, espesor 8-10mm
- Calidad: Construcción y minería
- Periodo de garantía: 12 meses
- Servicio posventa: Soporte técnico por video, soporte en línea
- Color: Negro o a petición del cliente
- Aplicación: Excavadora de cadenas
Tabla de tamaño (unidad: mm)
| EC950 | A | B | C | D | E |
| 825 | 480 | 400 | 180 | 90 |

