Rodillo superior para excavadora Volvo EC950
Solicite un presupuesto
                                    
                                                                                                    
                                                                
                                Piezas del tren de rodaje de equipos pesados
Rodillos superiores / Rodillos portadores Volvo
Los rodillos superiores Volvo son componentes esenciales en el sistema de tren de rodaje de las excavadoras Volvo, proporcionando soporte a la oruga superior y manteniendo la alineación adecuada de la oruga.
- Modelos de excavadoras Volvo compatiblesEC950
 
Especificaciones técnicas
 - Descripción: Rodillo portador
 - Origen: China
 - Marca: PT'ZM
 - Modelo de máquina aplicable: EC950
 - Marca de máquina aplicable: Volvo
 - Número de pieza: /
 - Certificado: GB/T19001-2016, ISO9001:2015
 - Precio: A convenir
 - Método de embalaje: Embalaje marítimo fumigado
 - Plazo de entrega: 7-30 días
 - Condiciones de pago: Transferencia bancaria (otras condiciones a convenir)
 - Condiciones de envío: FOB, CIF, CFR
 - Cantidad mínima de pedido: 1 unidad
 - Capacidad de suministro: 100 unidades/mes
 - Material: 40MnB2/42CrMo
 - Proceso de fabricación: Forjado
 - Acabado: Liso
 - Dureza: HRC48-55, profundidad: 8-10mm
 - Calidad: Construcción y minería
 - Periodo de garantía: 12 meses
 - Servicio posventa: Soporte técnico por video, en línea Soporte
 - Color: Negro o según requerimiento del cliente
 - Aplicación: Excavadora de cadenas
 
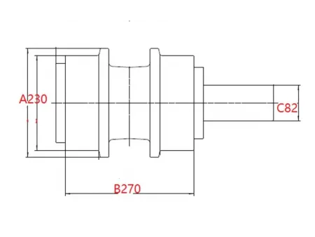
Tabla de tamaño (unidad: mm)
| EC950 | A | B | C | 
| 230 | 270 | 82 | 
Productos relacionados
                                    Comentarios
                                    
                                    
                                Otros productos
                                    
                                                            Novedades
                        Más
                                                                                                                                                                                                                                                                                                                                                                            
                                                                                                                                
                                                                                                                                
                                                                                                                                
                                                                                                                                
                                                                                                                                
                                                                                    Otros productos
                        Vídeos Relacionados
                            
                                            
                                                
                                                
                                                